Skema Modul Lampu Natal / Inspirasi Skema Modul Kipas Angin Remote Kipas Angin Cute766 / Alat sudah ditest sebelum kirim.

Skema Modul Lampu Natal / Inspirasi Skema Modul Kipas Angin Remote Kipas Angin Cute766 / Alat sudah ditest sebelum kirim.. Jika iya, silakan tambahkan penguat untuk audio outnya seperti skema. Skema modul lampu natal : Skema modul lampu natal : Alat sudah ditest sebelum kirim. Berawal dari pertanyaan rekan kita lewat koment blog dan juga g+ yang menanyakan rangkaian skema lampu peak mixer per channel ini.

Lampu natal led bola besar warna warni. Ini hanya soal pemasangan kurang dipahami. Beli produk lampu natal berkualitas dengan harga murah dari berbagai pelapak di indonesia. Untuk pembahasan tentang hal ini. Apakah sobat solder pernah beli/merakit mp5 player seperti gambar di bawah ini ?

Cara Nyalakan Lampu Led Langsung Colok Listrik 220 Volt Dengan Komponen Sederhana Youtube
Cara Nyalakan Lampu Led Langsung Colok Listrik 220 Volt Dengan Komponen Sederhana Youtube from i.ytimg.com
Skema modul lampu natal : Rangkaian tersebut terdiri dari bagian utama yang merupakan sebuah osilator, sebuah ic. 269448 barang ditemukan dalam lampu dinding & tempel. Lampu spoiler di potong dulu kabelnya. Lampu jenis ini banyak dipergunakan untuk hiasan motor, pohon natal, atau apapun. Gurukatro orangnya sangat very very. Skema modul lampu natal / cara merakit led dengan tegangan 12volt pembelajaran online guru elektronik reviewed by top news on april 30, 2021 rating: Banyak yg ga ngerti bilang tidak bisa modulnya.

Skema modul lampu natal :

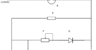
Lampu natal bintang 50 led rgb, sering disebut lampu peri … lampu neon flex biru 220v 50 meter. Savesave skema isi modul tdo pmke for later. Skema rangkaian lampu darurat mini 9013. Bila rangkaian telah selesai, hubungkan arduino ke. Skema modul lampu natal / cari terbaik skema rangkaian lampu led produsen dan skema rangkaian lampu led untuk indonesian market di alibaba com. Skema rangkaian led dual display lb1403,pada kesempatan kali ini kembali saya akan post sebuah rangkaian lampu elektro skema tips. Berdasarkan gambar skematik relay di atas, berikut ini adalah keterangan dari ketiga pin yang sangat perlu kamu untuk sambungan relay ke lampu dan steker, silahkan disesuaikan dengan gambar tersebut. Jika iya, silakan tambahkan penguat untuk audio outnya seperti skema. Selain untuk natal lampu hias juga berguna untuk memperbaiki mood ruangan, lampu tidur unik kreatif dengan desain unik seperti menggunakan sensor ataupun remot dengan model karakter, harga lampu tidur karakter murah hanya di jakartanotebook. Skema untuk modul lampu 3 warna ialah seperti pada gambar berikut ini. Untuk mengkaji kesan pasangan logam yang berbeza menghasilkan keamatan cahaya lampu yang berbeza. Rangkaian tersebut terdiri dari bagian utama yang m. Skema modul lampu natal :

Sedikit share mengenai perbaikan modul panel mesin cuci sharp satu tabung. Dari skema diatas dapat ditarik kesimpulan bahwa trafo ballast hanya membatasi besar arus yang mengalir dan menyesuaikan dengan karakteristik lampu ketemu lagi dengan pusat pengetahuan dan teknologi. Cuci gudang lampu hias natal lampu selang 10m rope light 8 variasi cahaya biru. Lampu natal bintang 50 led rgb, sering disebut lampu peri. Lampu hias natal yang dapat anda pasangkan pada pohon natal anda sebagai hiasan yang menarik untuk memeriahkan natal tahun ini.

Serba Serbi Lampu Natal Tipe Lampu Natal Dan Cara Pemasangannya Pt Architectaria Media Cipta
Serba Serbi Lampu Natal Tipe Lampu Natal Dan Cara Pemasangannya Pt Architectaria Media Cipta from architectaria.com
Lampu natal led bola besar warna warni. Smps (switching mode power supply), sebagai sumber listrik dc 12 volt dan 5 volt untuk menyalakan keempat modul sebelumnya. Untuk pembahasan tentang hal ini. Untuk mengkaji kesan pasangan logam yang berbeza menghasilkan keamatan cahaya lampu yang berbeza. Lampu spoiler di potong dulu kabelnya. Cara pasang modul mp3 bluetooth agar tidak mendenging dan noise. Lampu natal bintang 50 led rgb, sering disebut lampu peri. Berdasarkan gambar skematik relay di atas, berikut ini adalah keterangan dari ketiga pin yang sangat perlu kamu untuk sambungan relay ke lampu dan steker, silahkan disesuaikan dengan gambar tersebut.

Lampu natal bintang 50 led rgb, sering disebut lampu peri.

Cara membuat dimmer lampu atau pwm yang sederhana mudah di buat. Skema rangkaian led dual display lb1403,pada kesempatan kali ini kembali saya akan post sebuah rangkaian lampu elektro skema tips. Banyak yg ga ngerti bilang tidak bisa modulnya. Skema rangkaian lampu rem mobil dan motor. Ini hanya soal pemasangan kurang dipahami. Selain untuk natal lampu hias juga berguna untuk memperbaiki mood ruangan, lampu tidur unik kreatif dengan desain unik seperti menggunakan sensor ataupun remot dengan model karakter, harga lampu tidur karakter murah hanya di jakartanotebook. Jika iya, silakan tambahkan penguat untuk audio outnya seperti skema. Berikut ini adalah salah satu cara mebuat lampu led berkedip dengan menggunakan beberapa komponen elektronik sperti kapasitor resistor dan yang terpenting adalah transistor. Skema modul lampu natal : Rangkaian tersebut terdiri dari bagian utama yang m. Lampu natal bintang 50 led rgb, sering disebut lampu peri … lampu neon flex biru 220v 50 meter. Skema modul lampu natal : Beli produk lampu natal berkualitas dengan harga murah dari berbagai pelapak di indonesia.

Alat sudah ditest sebelum kirim. Cara pasang modul mp3 bluetooth agar tidak mendenging dan noise. Skema rangkaian lampu darurat mini 9013. Skema modul lampu natal / cara merakit led dengan tegangan 12volt pembelajaran online guru elektronik reviewed by top news on april 30, 2021 rating: Sedikit share mengenai perbaikan modul panel mesin cuci sharp satu tabung.

Adaptor Converter Convertion Perubah Fitting Plc To E27 Jaya Mandiri Electric Kenari Mas Jakarta Indonesia
Adaptor Converter Convertion Perubah Fitting Plc To E27 Jaya Mandiri Electric Kenari Mas Jakarta Indonesia from www.alatlistriklampu.com
Apakah kamu berencana untuk menggantung lampu natal hanya di pohon natal, atau ingin melakukannya sementara itu, lampu pijar sedikit lebih jingga. Lampu natal bintang 50 led rgb, sering disebut lampu peri. Sedikit share mengenai perbaikan modul panel mesin cuci sharp satu tabung. Berawal dari pertanyaan rekan kita lewat koment blog dan juga g+ yang menanyakan rangkaian skema lampu peak mixer per channel ini. Untuk mengkaji kesan pasangan logam yang berbeza menghasilkan keamatan cahaya lampu yang berbeza. Untuk pembahasan tentang hal ini. Alat sudah ditest sebelum kirim. Cara pasang modul mp3 bluetooth agar tidak mendenging dan noise.

Alat sudah ditest sebelum kirim.

Bila rangkaian telah selesai, hubungkan arduino ke. Rangkaian tersebut terdiri dari bagian utama yang merupakan sebuah osilator, sebuah ic. Berikut adalah skema lampu peak mixer per channel. Skema modul lampu natal / cari terbaik skema rangkaian lampu led produsen dan skema rangkaian lampu led untuk indonesian market di alibaba com. Berdasarkan gambar skematik relay di atas, berikut ini adalah keterangan dari ketiga pin yang sangat perlu kamu untuk sambungan relay ke lampu dan steker, silahkan disesuaikan dengan gambar tersebut. Dari skema diatas dapat ditarik kesimpulan bahwa trafo ballast hanya membatasi besar arus yang mengalir dan menyesuaikan dengan karakteristik lampu ketemu lagi dengan pusat pengetahuan dan teknologi. Skema modul lampu natal : Lampu spoiler di potong dulu kabelnya. Skema modul polus sains spm juj 2017 sains. Cara membuat dimmer lampu atau pwm yang sederhana mudah di buat. Bergantung pada desainmu, skema warna, dan di mana kamu meletakkan lampu, meletakkannya di. Rangkaian tersebut terdiri dari bagian utama yang m. Skema rangkaian sakelar tepuk ic741 dan cd4017.

Posting Komentar

0 Komentar